Incredibly efficient three-phase fan! Only draws 0.23A at low speed - huge energy savings. Runs whisper quiet at 1170rpm, perfect for our facility. Dual-speed is great flexibility.
Fantastic dual-speed fan! Runs quietly at 1080rpm for daily use, kicks up to 1550rpm when needed. Super efficient - only 0.47A at low speed. Solid 10kg German build, perfect for our factory ventilation.
Perfect quiet fan for our office ventilation. Runs smoothly at 1400rpm with barely any noise. Energy efficient too - only 0.99A draw. Solid German build quality, feels like it will last forever.
This ZIEHL-ABEGG fan for our Siemens converter runs incredibly smoothly. The build quality is excellent, and the 1070 RPM operation is surprisingly quiet. It handles continuous use without any issues, proving its durability. If you need a stable, long-lasting cooling solution for sensitive equipment, this is a solid investment that performs exactly as advertised.
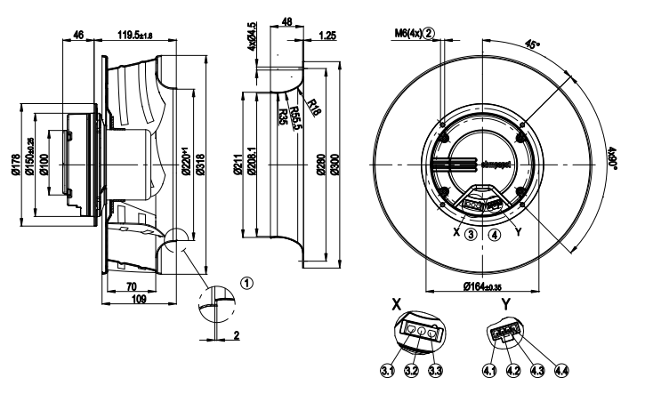
Being able to give clear instructions without being disturbed by fan noise can create a better teaching and learning experience. The FN040-4DK.2F.V7P2 represents a small but significant improvement.








